Gardner Denver DRUM - XK 18 kompresszor egybeépített (dobozos)

SKU: XK18-CW-PAM5

A levegőhűtővel ellátott Gardner Denver DRUM XK 18 csavarkompresszor alkalmas többek közt műanyag granulátum, állati takarmány, cukor valamint más élelmiszeripari poranyagok szállítására. A Gardner Denver csavarkompresszorok tiszta és száraz, teljesen olajmentes levegőt termelnek ezáltal, semmilyen károsodást, vagy szennyeződést nem okoznak a rakománynak.

A Gardner Denver csavarkompresszorok műszaki előnyei:

  • Közvetlen kardánhajtás a mellékhajtásról: Nincs ékszíjhajtás ezáltal kisebb a rendszer súlya és üzembiztosabb a működés, alacsonyabb a karbantartásigény
  • Alacsony súly: Mivel nincs felesleges ékszíjhajtás ezért akár 50-80 kg-mal több rakományt is tud szállítani.
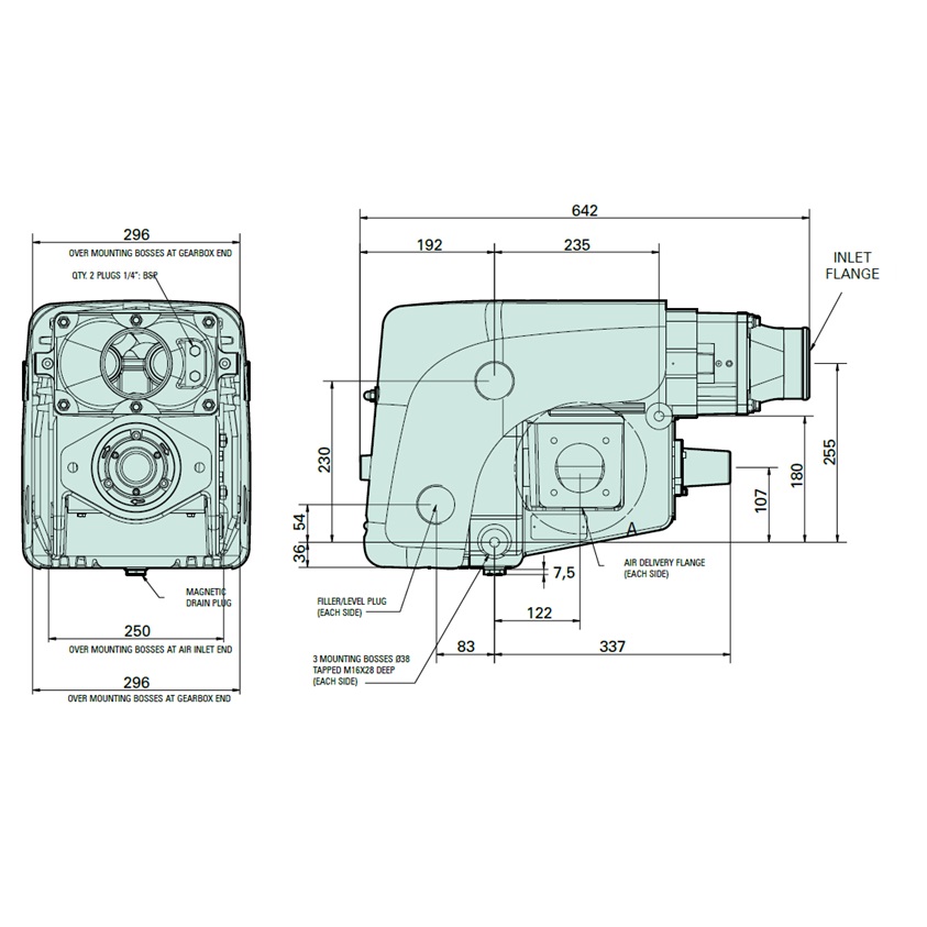
  • Kis beépítési méret: A versenytársaknál akár 200-300 mm-rel kevesebb helyet foglal el a váz oldalán a kompresszor helyet adva egy nagyobb üzemanyagtartálynak.
  • Felületkezelt rotorpár: A kompresszorok rotorpárjainak egyedi bevonata egyrészt különleges élelmiszeripari szabványokat, másrészt erős korrózióvédelmet biztosít

Gardner Denver DRUM XK 18 csavarkompresszor test műszaki adatai:

  • Levegőtermelési kapacitás: 540 – 1.140 m³/h
  • Szélesség az alváz hosszában: 705 mm
  • Rendszer teljes súlya: 298 kg

Tartozékok:

  • XK 18 kompresszor
  • tartókonzol
  • levegőszűrő ház
  • levegő hűtő
  • visszacsapó szelep
  • nyomásszabályzó szelep